CLGR® Forged G-403 Jaw End Swivel, also known as Galvanized mooring chain swivel, G403 Forged Jaw & Eye Swivel Galvanized.
It manufactured from super carbon steel been drop forged and welded, and also has been galvanized, making them ideal for various marine and industrial rigging applications. Regular Swivel helps prevent unnecessary twisting and binding of slings and attachments, which in turn helps you get the most out of your riggings. This product is a positioning device and is not intended to swivel or rotate under load.
G-403 Chain Swivels meet the performance requirements of Federal Specification RR-C-271F, Type VII, Class 3.
All the swivels are tested and come with test certificates.
Also, we have G-401 Chain Swivels, G-402 Regular Swivels.
| Brand | CLGR® |
Size | 1/4", 5/16", 3/8", 1/2", 5/8", 3/4", 7/8", 1", 1-1/4", 1-1/2" |
WLL | 5:1 |
Material | Super Carbon Steel |
Finish | Hot Dipped Galvanized, Electro Galvanized. |
Processing | Drop Forged, Welding, Heat treatment |
Type | G403 |
Important Note | Special specifications and marks can be made |

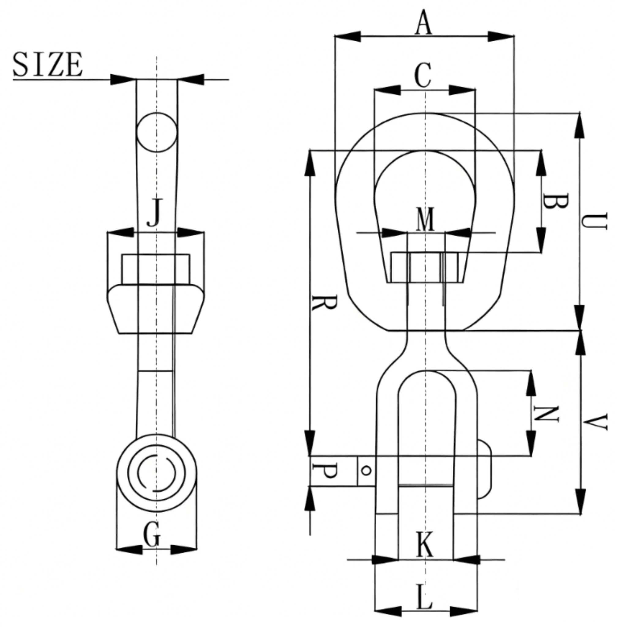
| Part No. | W.L.L. | Weight each | Size | Dimensions(in) | ||||||||||||
| (lbs.)* | (lbs.) | (in.) | A | B | C | G | J | K | L | M | N | P | R | U | V | |
| CR403C1/4 | 850 | 0.21 | 1/4 | 1.25 | 0.69 | 0.75 | 0.69 | 0.69 | 0.47 | 1.03 | 0.31 | 0.88 | 0.25 | 2.63 | 1.69 | 1.69 |
| CR403C5/16 | 1250 | 0.34 | 5/16 | 1.63 | 0.81 | 1 | 0.81 | 0.81 | 0.5 | 1.13 | 0.38 | 0.88 | 0.31 | 2.94 | 2.06 | 1.81 |
| CR403C3/8 | 2250 | 0.66 | 3/8 | 2 | 0.94 | 1.25 | 1 | 1 | 0.63 | 1.41 | 0.5 | 1.06 | 0.38 | 3.63 | 2.5 | 2.25 |
| CR403C1/2 | 3600 | 1.34 | 1/2 | 2.5 | 1.31 | 1.5 | 1.31 | 1.31 | 0.75 | 1.75 | 0.63 | 1.31 | 0.5 | 4.5 | 3.19 | 2.88 |
| CR403C5/8 | 5200 | 2.48 | 5/8 | 3 | 1.56 | 1.75 | 1.63 | 1.5 | 0.94 | 2.06 | 0.75 | 1.5 | 0.63 | 5.31 | 3.88 | 3.44 |
| CR403C3/4 | 7200 | 3.88 | 3/4 | 3.5 | 1.75 | 2 | 1.88 | 1.88 | 1.13 | 2.53 | 0.88 | 1.75 | 0.75 | 6.06 | 4.31 | 4 |
| CR403C7/8 | 10000 | 5.87 | 7/8 | 4 | 2.06 | 2.25 | 2.13 | 2.13 | 1.19 | 2.75 | 1 | 2.06 | 0.88 | 7 | 5 | 4.53 |
| CR403C1 | 12500 | 9.84 | 1 | 4.5 | 2.31 | 2.5 | 2.63 | 2.38 | 1.75 | 3.72 | 1.13 | 2.81 | 1.13 | 8.56 | 5.57 | 5.94 |
| CR403C1-1/4 | 18000 | 15.75 | 1 1/4 | 5.69 | 2.69 | 3.13 | 3.13 | 3 | 2.06 | 4.31 | 1.63 | 2.81 | 1.38 | 9.75 | 7.06 | 6.38 |
| CR403C1-1/2 | 45200 | 54.75 | 1 1/2 | 7 | 3.88 | 4 | 5.63 | 4 | 2.88 | 6 | 2.25 | 4.44 | 2.25 | 14.25 | 10 | 10.84 |