CLGR® G80 Unilock Shackle also known as G80 Unilock Shackle Connecting Link.
Certified to BS EN1677-1 standard, this Grade 80 unilock shackle connecting link is engineered for secure connections between master links and chains, hooks, or eye bolts in demanding lifting applications. Forged from super alloy steel and heat-treated through quenching and tempering, it delivers exceptional strength with a 4:1 safety factor for reliable heavy-load performance.
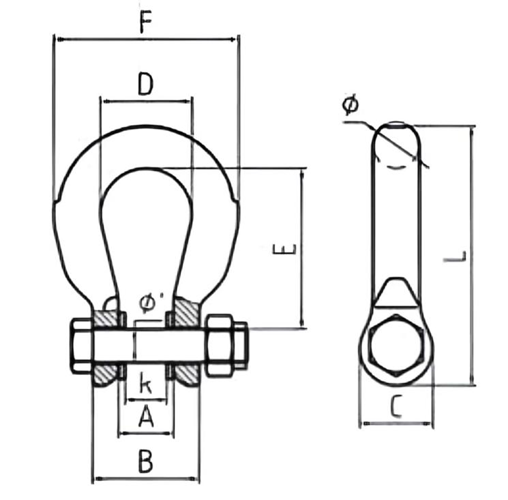
The unique design requires precise tightening—ensuring the bolt remains movable without over-tightening—to prevent failure and maintain operational safety.
Primarily used in the logging industry, it is also ideal for construction, marine, and rigging applications.
Available in powder-coated or galvanized finishes for corrosion resistance, and sizes in 6mm, 8mm, 10mm, 13mm with customizable packaging options.
| Brand | CLGR® |
| Origin | China |
| Grade | Grade 80 |
| Standard | BS EN1677-1 |
| Material | Super Alloy Steel |
| Processing | Forged, Quenched and tempered |
| Finish | Powder Coated, Galvanized |
| Size | 6mm, 8mm, 10mm, 13mm |
| Safety Factor | 4:1 |
| Packing | Cartons and then on Pallets (customization are available) |

Part No. | WEIGHT | WLL/T | B.L/T | A±2 | B±2 | C±1 | D±2 | E±2 | F±2 | L±3 | ∅±0.5 | ∅±0.5 | K±2 |
/KG | |||||||||||||
8CRSULOC6 | 0.1 | 1.12 | 4.48 | 11 | 24 | 17 | 21 | 34 | 39 | 56 | 9 | 7.6 | 7.8 |
8CRSULOC8 | 0.22 | 2 | 8 | 16.5 | 32 | 22 | 27.5 | 48.5 | 55.5 | 78.3 | 14 | 10 | 12.5 |
8CRSULOC10 | 0.38 | 3.15 | 12.6 | 20 | 38 | 28 | 35 | 58 | 67 | 95.5 | 16 | 12 | 15 |
8CRSULOC13 | 0.63 | 5.3 | 21.2 | 24.5 | 45 | 34.5 | 39 | 69.5 | 75 | 113.5 | 18 | 16 | 18.5 |