CLGR® DIN582 Lifting Eye Nut also known as DIN 582 Eye Nut, Eye Nut DIN582 and DIN 582 eye nut with zinc plating.
Our DIN 582 Lifting Eye Nuts are manufactured from drop-forged mild steel in full compliance with DIN 582 standards, available in sizes from M6 to M64 with zinc-plated, hot-dip galvanized, or self-color finishes.
These nuts are designed exclusively for vertical static lifting applications and must be fully screwed onto the bolt until complete surface contact is achieved.
It is crucial to note that they are never to be used for overhead lifting operations. Ideal for creating secure anchor points in construction and manufacturing settings, these lifting eye nuts provide reliable performance when used with proper rigging equipment.
| Brand | CLGR® |
| Origin | China |
| Technical Notes | To DIN582 |
| Material | Superior Mild Steel |
| Processing | Drop Forged |
| Finish | Zinc plated, Hot dipped galvanized, Self-color |
Size | M6, M8, M10, M 12, M14, M16, M20, M22, M24, M27 M30, M33, M36, M39, M42, M45, M48, M52, M56, M64 |
| Note | Never to be used for overhead lifting |

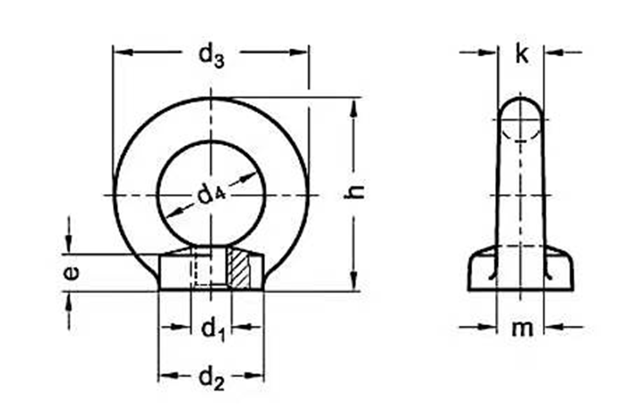
Item No. | d1 | d2 | d3 | d4 | e | h | k | SWL | Weight |
mm | kgs | ||||||||
CR-582-EN-06 | M6 | 20 | 36 | 20 | 8.5 | 36 | 8 | 70 | 0.05 |
CR-582-EN-08 | M8 | 20 | 36 | 20 | 8,5 | 36 | 8 | 140 | 0.05 |
CR-582-EN-10 | M10 | 25 | 45 | 25 | 10 | 45 | 10 | 230 | 0.09 |
CR-582-EN-12 | M12 | 30 | 54 | 30 | 11 | 53 | 12 | 340 | 0.15 |
CR-582-EN-14 | M14 | 35 | 63 | 35 | 13 | 62 | 14 | 490 | 0.24 |
CR-582-EN-16 | M16 | 35 | 63 | 35 | 13 | 62 | 14 | 700 | 0.24 |
CR-582-EN-20 | M20 | 40 | 72 | 40 | 16 | 71 | 16 | 1200 | 0.36 |
CR-582-EN-22 | M22 | 45 | 81 | 45 | 18 | 81 | 18 | 1500 | 0.58 |
CR-582-EN-24 | M24 | 50 | 90 | 50 | 20 | 90 | 20 | 1800 | 0.72 |
CR-582-EN-27 | M27 | 50 | 90 | 50 | 20 | 90 | 20 | 2500 | 0.72 |
CR-582-EN-30 | M30 | 65 | 108 | 60 | 25 | 109 | 24 | 3200 | 1.32 |
CR-582-EN-33 | M33 | 65 | 108 | 60 | 25 | 109 | 24 | 4300 | 1.32 |
CR-582-EN-36 | M36 | 75 | 126 | 70 | 30 | 128 | 28 | 4600 | 2.08 |
CR-582-EN-39 | M39 | 75 | 126 | 70 | 30 | 128 | 28 | 6100 | 2.08 |
CR-582-EN-42 | M42 | 85 | 144 | 80 | 35 | 147 | 32 | 6300 | 3.11 |
CR-582-EN-45 | M45 | 85 | 144 | 80 | 35 | 147 | 32 | 8000 | 3.04 |
CR-582-EN-48 | M48 | 100 | 166 | 90 | 40 | 168 | 38 | 8600 | 5.02 |
CR-582-EN-52 | M52 | 100 | 166 | 90 | 40 | 168 | 38 | 9900 | 5.02 |
CR-582-EN-56 | M56 | 110 | 184 | 100 | 45 | 187 | 42 | 11500 | 6.69 |
CR-582-EN-64 | M64 | 120 | 206 | 110 | 50 | 208 | 48 | 16000 | 9.3 |