CLGR® DIN580 Eye Bolt also known as Lifting Eye Bolt DIN580, DIN580 Lifting Eye, Drop Forged Eye Bolt, Lifting Eye Bolt, M12 DIN 580, Galvanized DIN 580 Bolt, DIN 580 eye bolt with zinc plating, and we also have stainless steel DIN 580 eye bolt.
Our DIN 580 Eye Bolts provide reliable lifting points for industrial applications while emphasizing crucial safety guidelines.
Manufactured from drop-forged mild steel according to DIN 580 standards, these bolts are available in sizes from M8 to M100×6 with zinc-plated, hot-dip galvanized, or self-color finishes.
They are designed exclusively for static vertical lifting and tie-down applications where the load remains positioned below the lifting point.
Proper installation requires the bolt to be fully screwed into a tapped hole until the base makes complete contact with the surface.
Most importantly, these eye bolts must never be used for overhead lifting operations where loads are lifted vertically into the air.
Ideal for creating secure anchor points in construction, manufacturing, and marine environments.
| Brand | CLGR® |
| Origin | China |
| Technical Notes | To DIN580 |
| Material | Super Mild Steel |
| Processing | Drop Forged |
| Finish | Zinc-plated, Hot dipped galvanized, Self-color |
| Size | M8, M10, M12, M14, M16, M20, M22, M24, M27, M30, M33, M36, M39, M42, M45, M48, M52, M56, M64, M72x6, M80x6, M100x6 |
| Note | Never to be used for overhead lifting |

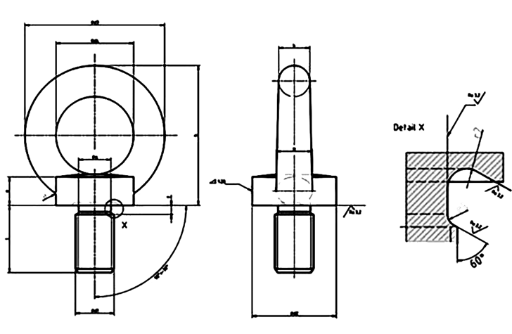
l – length of bolt
d2 – head diameter
h – height
D4 – diameter of the eye
D3 – the outer diameter of the eye
E – Foot height screw
k – width of the eye
D1 – the nominal diameter of the thread
F – undercut length
Part No. | Thread | size(d1) | d2 | d3 | d4 | e | f | g(h13) | h | k | l(±1IT15) | m | r1 | r2 | r3 | Weight |
CR-580-EB-M8 | M8 | 20 | 36 | 20 | 6 | 2,5 | 6 | 36 | 8 | 13 | 10 | 4 | 1 | 1 | 0,06 | |
CR-580-EB-M10 | M10 | 25 | 45 | 25 | 8 | 3 | 7,7 | 45 | 10 | 17 | 12 | 4 | 1 | 1 | 0,11 | |
CR-580-EB-M12 | M12 | 30 | 54 | 30 | 10 | 3,5 | 9,4 | 53 | 12 | 20,5 | 14 | 6 | 2 | 1,2 | 0,18 | |
CR-580-EB-M16 | M16 | 35 | 63 | 35 | 12 | 4 | 13 | 62 | 14 | 27 | 16 | 6 | 2 | 1,2 | 0,28 | |
CR-580-EB-M20 | M20 | 40 | 72 | 40 | 14 | 5 | 16,4 | 71 | 16 | 30 | 19 | 8 | 2 | 1,6 | 0,45 | |
CR-580-EB-M24 | M24 | 50 | 90 | 50 | 18 | 6 | 19,6 | 90 | 20 | 36 | 24 | 12 | 2 | 2 | 0,74 | |
CR-580-EB-M30 | M30 | 65 | 108 | 60 | 22 | 7 | 25 | 109 | 24 | 45 | 28 | 15 | 3 | 2 | 1,66 | |
CR-580-EB-M36 | M36 | 75 | 126 | 70 | 26 | 8 | 30,3 | 128 | 28 | 54 | 32 | 18 | 3 | 2 | 2,65 | |
CR-580-EB-M42 | M42 | 85 | 144 | 80 | 30 | 6 | 35,6 | 147 | 32 | 63 | 38 | 20 | 3 | 2,5 | 4,03 | |
CR-580-EB-M48 | M48 | 100 | 166 | 90 | 35 | 10 | 41 | 168 | 38 | 68 | 46 | 22 | 4 | 2,5 | 6,38 | |
CR-580-EB-M56 | M56 | 110 | 184 | 100 | 38 | 11 | 48,3 | 187 | 42 | 78 | 50 | 25 | 4 | 3 | 8,8 | |
CR-580-EB-M64 | M64 | 120 | 206 | 110 | 42 | 12 | 55,7 | 208 | 48 | 90 | 58 | 25 | 4 | 3 | 12,4 | |
CR-580-EB-M72 | M72x6 | 150 | 260 | 140 | 50 | 12 | 63,7 | 260 | 60 | 100 | 72 | 35 | 4 | 3 | 23,3 | |
CR-580-EB-M80 | M80x6 | 170 | 296 | 160 | 55 | 12 | 71,7 | 298 | 68 | 112 | 80 | 35 | 4 | 3 | 34,2 | |
CR-580-EB-M100 | M100x6 | 190 | 330 | 180 | 60 | 12 | 91,7 | 330 | 75 | 130 | 88 | 40 | 4 | 3 | 49,1 | |