CLGR® Grade 80 Swivel with Roller Bearing for Lifting, also known as G80 Chain Swivel with Roller Bearing, Swivel Eye to Eye - G80 Ball Bearing Type, and Tapered roller thrust bearing Swivels.
This G80 eye swivel with bearing is forged from superior alloy steel and designed for use in the marine and building industries.
It must be matched with slings and G80 chains that conform to the EN818-2 standard.
Important note: This product is not designed to withstand twisting while under load.
Brand | CLGR® |
Size | 10mm, 13mm |
Material | Superior Alloy Steel |
Safety Factor | 4: 1 |
Processing | Drop Forged / Heat Treatment |
Surface Finish | Powder Coated |
Note | Special Specifications and Marks Can be Customized |

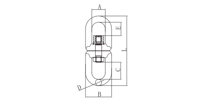
Part No. | WEIGHT | WLL | B.L | A±1 | B±2 | C±1.5 | D±1 | E±1.5 | L±2 |
D8-CR-S+B10 | 1.85 | 3.15 | 12.6 | 38 | 76 | 51 | 19 | 34.8 | 209 |
D8-CR-S+B13 | 5.5 | 5.3 | 21.2 | 60 | 116 | 77 | 28 | 60 | 312 |