CLGR® Studless Link Anchor Chain, also called Studless Offshore Mooring Anchor Chain.
It is a type of anchor chain that does not have studs welded onto its links. These chains are characterized by a simpler design without protruding studs, which can make them more flexible and easier to handle compared to stud link anchor chains for sale.
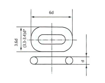
Studless anchor chain is made of anchor steel and the chain diameter starts from 12.5mm to 70mm.
These chains are often preferred in situations where weight, space, and ease of handling are important considerations.
They are durable and suitable for a wide range of marine applications, offering advantages such as reduced risk of snagging on debris and obstacles on the seabed.
Brand | CLGR® |
Size | 12.5mm, 14mm, 16mm, 17.5mm,19mm, 20.5mm, 22mm, 24mm, 26mm,28mm, 30mm,32mm, 34mm, 36mm,38mm, 40mm, 42mm, 44mm, 46mm, 48mm, 50mm, 52mm, 54mm, 56mm, 58mm, 60mm, 62mm, 64mm, 66mm, 68mm, 70mm |
Material | Superior Alloy Steel |
Processing | Welded |
Surface Finish | Hot Dipped Galvanized |
Note | NOT FOR OVERLOAD |
LIFTING

Specification 1
Part No. | d(φ) | Chain Link Size | BM1 | BM2 | BM3 | Approx. | |||||
6d | 3.6d | U1 Open Link Chain | U2 Open Link Chain | U3 Open Link Chain | Weight | ||||||
Diameter | Outside Length (mm.) | Outside Width (mm.) | Proof Load (kn.) | Breaking Load (kn.) | Proof Load (kn.) | Breaking Load (kn.) | Proof Load (kn.) | Breaking Load (kn.) | Per | ||
(in.) | (mm.) | 27.5M | |||||||||
CR-SLL-C-12.5 | 1/2 | 12.5 | 75 | 45 | 28.75 | 57.81 | 41.2 | 82.6 | 56.4 | 112.8 | 85.41 |
CR-SLL-C-14 | 9/16 | 14 | 84 | 50.4 | 34.78 | 69.93 | 51 | 101.9 | 70.76 | 141.51 | 106.55 |
CR-SLL-C-16 | 5/8 | 16 | 96 | 57.6 | 47.1 | 94.72 | 66.2 | 132.3 | 92.42 | 184.83 | 139.43 |
CR-SLL-C-17.5 | 11/16 | 17.5 | 105 | 63 | 56.35 | 113.31 | 78.89 | 157.78 | 110.55 | 221.1 | 178.35 |
CR-SLL-C-19 | 3/4 | 19 | 114 | 68.4 | 66.42 | 133.57 | 93.6 | 187.2 | 130.32 | 260.64 | 217.68 |
CR-SLL-C-20.5 | 13/16 | 20.5 | 123 | 73.8 | 77.33 | 155.49 | 108.64 | 217.27 | 151.7 | 303.42 | 229.14 |
CR-SLL-C-22 | 7/8 | 22 | 132 | 79.2 | 89.06 | 179.08 | 125.4 | 250.9 | 174.4 | 349.4 | 264.49 |
CR-SLL-C-24 | 15/16 | 24 | 144 | 86.4 | 105.98 | 213.25 | 149.9 | 298.9 | 207.9 | 415.8 | 341.82 |
CR-SLL-C-26 | 1-1/16 | 26 | 156 | 93.6 | 124.38 | 250.12 | 175.4 | 350.8 | 244 | 488 | 369.94 |
CR-SLL-C-28 | 1-1/8 | 28 | 168 | 100.8 | 144.26 | 290.08 | 203.8 | 406.7 | 283 | 566 | 427.04 |
CR-SLL-C-30 | 1-3/16 | 30 | 180 | 108 | 165.6 | 333 | 234.2 | 467.5 | 324.9 | 649.8 | 490.98 |
CR-SLL-C-32 | 1-1/4 | 32 | 192 | 115.2 | 188.42 | 378.88 | 265.6 | 531.2 | 369.6 | 739.3 | 559.65 |
CR-SLL-C-34 | 1-5/16 | 34 | 204 | 122.4 | 212.7 | 427.72 | 299.9 | 599.8 | 417.3 | 834.6 | 671.52 |
CR-SLL-C-36 | 1-7/16 | 36 | 216 | 129.6 | 238.46 | 479.52 | 336.1 | 672.3 | 467.8 | 935.7 | 707.85 |
CR-SLL-C-38 | 1-1/2 | 38 | 228 | 136.8 | 265.7 | 534.28 | 374.4 | 748.7 | 521.3 | 1042.5 | 788.98 |
CR-SLL-C-40 | 1-9/16 | 40 | 240 | 144 | 294.4 | 592 | 414.5 | 829.1 | 577.6 | 1155.2 | 869.36 |
Specification 2
Part No. | d(φ) | Chain Link Size | BM1 | BM2 | BM3 | Approx. | |||||
6d | 3.6d | U1 Open Link Chain | U2 Open Link Chain | U3 Open Link Chain | Weight | ||||||
Diameter | Outside Length (mm.) | Outside Width (mm.) | Proof Load (kn.) | Breaking Load (kn.) | Proof Load (kn.) | Breaking Load (kn.) | Proof Load (kn.) | Breaking Load (kn.) | Per | ||
(in.) | (mm.) | 27.5M | |||||||||
CR-SLL-C-42 | 1-5/8 | 42 | 252 | 151.2 | 324.58 | 652.68 | 457.7 | 915.3 | 636.8 | 1273.6 | 959.3 |
CR-SLL-C-44 | 1-3/4 | 44 | 264 | 158.4 | 356.22 | 716.32 | 502.7 | 999.6 | 698.9 | 1398 | 1111.25 |
CR-SLL-C-46 | 1-13/16 | 46 | 276 | 165.6 | 389.34 | 782.92 | 548.8 | 1097.6 | 763.9 | 1527.8 | 1152.07 |
CR-SLL-C-48 | 1-7/8 | 48 | 288 | 172.8 | 423.94 | 852.48 | 597.8 | 1195.6 | 831.7 | 1663.5 | 1256.26 |
CR-SLL-C-50 | 2 | 50 | 300 | 180 | 460 | 926.09 | 648.8 | 1293.6 | 902.5 | 1805 | 1360.41 |
CR-SLL-C-52 | 2-1/16 | 52 | 312 | 187.2 | 497.54 | 1000.48 | 697.63 | 1395.26 | 976.14 | 1952.28 | 1485.61 |
CR-SLL-C-54 | 2-1/8 | 54 | 324 | 194.4 | 536.54 | 1078.92 | 752.33 | 1504.66 | 1052.68 | 2105.36 | 1648.08 |
CR-SLL-C-56 | 2-3/16 | 56 | 336 | 201.6 | 577.02 | 1160.32 | 809.09 | 1618.18 | 1132.1 | 2264.2 | 1715.97 |
CR-SLL-C-58 | 2-5/16 | 58 | 348 | 208.8 | 618.98 | 1244.68 | 867.91 | 1735.82 | 1214.4 | 2428.8 | 1844.5 |
CR-SLL-C-60 | 2-3/8 | 60 | 360 | 216 | 662.4 | 1332 | 928.8 | 1857.6 | 1299.6 | 2599.2 | 1973.29 |
CR-SLL-C-62 | 2-7/16 | 62 | 372 | 223.2 | 707.3 | 1422.28 | 991.75 | 1983.5 | 1387.68 | 2775.36 | 2101.56 |
CR-SLL-C-64 | 2-1/2 | 64 | 384 | 230.4 | 753.66 | 1515.52 | 1056.77 | 2113.54 | 1478.66 | 2957.32 | 2298.47 |
CR-SLL-C-66 | 2-9/16 | 66 | 396 | 237.6 | 801.5 | 1611.72 | 1123.85 | 2247.7 | 1572.52 | 3145.04 | 2398.1 |
CR-SLL-C-68 | 2-11/16 | 68 | 408 | 244.8 | 850.82 | 1710.88 | 1192.99 | 2385.98 | 1669.26 | 3338.52 | 2522.88 |
CR-SLL-C-70 | 2-3/4 | 70 | 420 | 252 | 901.6 | 1813 | 1264.2 | 2528.4 | 1768.9 | 3537.8 | 2697.65 |